使用数字控制器设计多相降压Buck电源转换器
题记:多相降压转换器通常用于服务器和电信行业,以满足高功率要求。
近几十年来,服务器和计算系统的复杂性随着电力输送 (PD) 要求的增加而增加。这使得稳压器设计更具挑战性,因为它需要在更高效率和快速动态响应之间以及在降低功率损耗和 MOSFET 尺寸之间进行权衡。服务器需要具有高电流、低电压和快速瞬态响应的电源,这意味着这些设备必须在比其他应用中更高的频率下工作。为了满足这些需求,并联运行多个降压转换器(称为多相降压转换器)以驱动公共负载至关重要。多相降压转换器通常用于服务器和电信行业,以满足高功率要求。
《具有数字滤波器反馈控制的电源转换器》
多相降压Buck转换器的优点
系统的基频有效地乘以它使用的相数。这允许转换器在非常高的频率下运行,这意味着转换器可以用更小的组件和更少的输出电容满足更高的电流要求。
降压转换器必须具有快速瞬态响应,这意味着它必须能够将能量从输入快速传输到输出。对于单相设计,这需要一个小的电感,这会产生大的、不切实际的电流纹波。通过使用并联转换器驱动负载(并且每个分支以相等的相移运行),稳态电压纹波以及输入和输出 RMS 电流都降低了,需要更小的输入和输出电容。
《多电平逆变器:介绍和相关拓扑》
这种电流纹波消除有效地允许使用更小的电感,这也减少了瞬态电压尖峰。这要归功于倍频效应,其中纹波的幅度除以 N 个分支,其频率是 N 倍。例如,一个 4 相应用产生的总电感电流纹波 (IOUT = IO1 + IO2 + IO3 + IO4) 小四倍,纹波频率是单个相位的四倍(见图 1)。
总输出电流纹波
图 1:总输出电流纹波
多相转换器还提高了转换器的热效率。通过在多相之间分配电流,还可以分担功率损耗。这最大限度地减少了每个分支上的热应力,减小了散热器尺寸,并使整个解决方案更具成本效益。
多相Buck降压转换器的挑战
多相转换器是提供具有极快响应时间的高功率水平的关键。但是,在某些应用中,例如服务器电源,系统所需的电源变化很大。例如,如果输出电流为 100A,则需要所有相来提供电流,但如果电流下降到 10A,则由于附加功率开关中的开关损耗,过多的相会降低效率。
《电力电子基础:工作原理、设计、公式和应用》
实现数字控制器
数字控制器可以通过采用自适应切相和相位控制等控制方法来进一步提高效率,这些方法根据负载电流改变每相的操作。设计人员可以使用这些策略在整个负载电流范围内获得所需的目标效率。
图 2:切相
《电源管理集成电路》
设计指标
表 1 显示了对平均电源轨的要求。输入电压 (VIN) 设置为 12V,这是大多数应用的常用值。输出电流 (ITDC) 为 220A,输出电压 (VOUT) 为 1.8V,这是服务器应用中电压轨的通用值。
驱动器和 MOSFET 选择
在大多数多相转换器中,每个相位都设计为将峰值电流限制在 40A 左右。然而,行业内的创新导致解决方案能够处理显着更高的峰值电流,MP86957 等器件可提供高达 70A 的连续电流。此设计规则还取决于其他参数,例如空间限制或散热器的使用及其热特性。
实施多相转换器解决方案
为了说明多相转换器的好处,本文使用了一个保守的电流分布目标,即每支路约 40A,这是通过 7 相设计实现的。这种设计将最大电流保持在足够低的水平,以使热耗散和功率损耗更易于管理。
选定的开关频率 (fSW) 为 500kHz。在 7 相设计中,由于倍频效应,这提供了 3.5MHz 的总输出纹波频率。
《用于太阳能光伏系统的电力电子转换器》
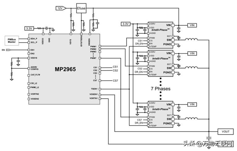
MP2965 被选为数字控制器,因为它可以配置为最多 7 相操作。该控制器使用脉冲宽度调制控制根据输入和输出电压实时调整 PWM。为了完善多相稳压器解决方案,该设计还使用了 MP86945A,这是一款能够实现高达 60A 连续输出电流的单片半桥。
图 3:交错式降压转换器框图
选择输出电感
输出电感是一个重要参数,因为电感电流中过大的纹波会导致速度和效率问题。每相的最大电流纹波 (ΔIL) 必须设置在最大相电流的 20% 到 40% 之间。在本例中,选择了 30% 的电流纹波,目标效率 (η) 设置为 90%。
电感 (L) 可以通过公式 (1) 估算:
其中 D 是占空比,使用公式 (2) 计算:
输入应用值后,估计电感 (L) 为 220nH,如公式 (3) 所示:
选择输出电容
为确保电感电流连续工作,通常选择降压转换器的最小电容来限制输出电压纹波。该纹波通常限制在平均输出电压的 1%。根据系统规范,电压纹波设置为 18mV。输出电容 (COUT) 可以通过公式 (4) 和公式 (5) 计算:
在确定输出电容时,请考虑转换器中电流突变引起的电压变化限制。换言之,还应计算输出电容以将输出电压保持在其过压 (VOVER) 和欠压 (VUNDER) 阈值内。 VUNDER 可以用公式 (6) 估算:
其中 LEQ 是等效电感(对于七相,L / 7),DMAX 是最大占空比。
等式 (6) 的 COUT 可以用等式 (7) 计算:
VOVER 可以用公式 (8) 估算:
等式 (8) 的 COUT 可以用等式 (9) 计算:
选择上述方程中的最大值以满足所有操作要求。
确定输出电容后,计算电容器的等效串联电阻 (ESR),它限制了转换器在稳态下工作时的输出电压纹波。输出电压纹波可通过公式 (10) 估算:
其中 ESR 可以用公式 (11) 和公式 (12) 计算:
请注意,所需的 ESR 值非常小。要在不减小电容器值或尺寸的情况下获得如此小的 ESR 值,请并联几个较小的电容器。这将电容相加,同时降低 ESR。
《集成混合谐振 DCDC 转换器》
选择输入电容
输入电容器为转换器提供低阻抗电压源并过滤输入电流纹波。此外,在设计中添加相位会降低总输入 RMS 电流,并将自热效应降至最低。图 4 显示了根据相数和转换器占空比的归一化电流值。
图 4:作为占空比和相数函数的归一化 RMS 电流
根据应用规范,通常选择降压转换器的输入电容来限制输入电压纹波。对于此应用,ΔVIN 的值为 240mV,输入电容 (CIN) 可通过公式 (12) 和公式 (13) 估算:
结论
由于服务器系统对性能的要求很高,因此在大多数服务器和计算设计中都需要多相降压转换器,以满足瞬态响应要求并能够承受大电流。 MP2965 双通道、多相控制器以最少的输出电容提供设计灵活性和快速瞬态响应,而 MP86945A 功率级集成了驱动器和 MOSFET,以确保高效率和性能。
