《半导体基础知识:应用定性的非数学解释半导体如何工作(Semiconductor Basics: A Qualitative, Non-mathematical Explanation of How Semiconductors Work and How They are Used )》一书的主要内容介绍、重要技术和观点总结
《半导体基础知识:应用定性的非数学解释半导体如何工作》
《Semiconductor Basics: A Qualitative, Non-mathematical Explanation of How Semiconductors Work and How They are Used 》是一本针对半导体基础知识的非数学量化解释的书籍。以下是该书的主要内容介绍、重要技术和观点总结:
1. 主要内容介绍:
该书通过通俗易懂的语言,向读者介绍了半导体基础知识,包括多种半导体材料的特点、PN结的工作原理、半导体的应用以及半导体技术的进展等方面。主要内容包括:半导体基础概念、PN结的基础、半导体器件的应用、LED(发光二极管)、半导体激光器、集成电路、纳米半导体以及半导体材料等。
2. 重要技术介绍:
该书介绍了许多重要的半导体技术,其中包括:
(1)PN结:PN结是半导体器件中最基本的部分之一,掌握PN结原理是理解其他半导体器件的关键。
(2)LED:LED是一种不仅在照明、显示、通信等众多领域中广泛应用的半导体器件。该书介绍了LED的基本工作原理、不同种类的LED以及相关的应用等。
(3)半导体激光器:半导体激光器是一种基于PN结的器件,与LED相比,它能够通过电流控制发射光线,具有高度的可调性和稳定性。该书介绍了半导体激光器的原理、种类、应用等。
(4)集成电路:集成电路是电子技术领域中最重要的器件之一,可以高度集成微处理器、存储器、模拟电路等功能。该书介绍了集成电路的发展历史、基本构成原理、种类和应用等。
3. 观点总结:
该书作者的主要观点包括:
(1)半导体技术在当今世界中扮演了重要的角色,并广泛应用于许多领域中。
(2)了解半导体基础知识和原理是理解各种半导体器件、新技术和应用的基础。
(3)未来的半导体技术发展将越来越依赖于纳米材料、量子效应、集成电路和其他前沿研究领域的进展。
《Semiconductor Basics: A Qualitative, Non-mathematical Explanation of How Semiconductors Work and How They are Used 》一书中“The Bohr Atom”章节的主要内容介绍、重要技术和观点总结
导致Bohr(玻尔)的原子行星模型的科学和实验工作
《Semiconductor Basics: A Qualitative, Non-mathematical Explanation of How Semiconductors Work and How They are Used 》一书中“The Bohr Atom”章节主要介绍了Bohr原子模型的原理和应用。以下是主要内容介绍、重要技术和观点总结:
1. 主要内容介绍:
Bohr原子模型是描述原子结构的一种理论模型。该模型基于Planck量子论的观点,认为原子中的电子只能处于一些特定的能级中,同时具有在这些能级之间跃迁的能力,并放出或吸收能量。该章节深入探讨了Bohr原子模型的基本原理、能级结构、跃迁规律和电磁辐射等方面的知识。
2. 重要技术介绍:
Bohr原子模型是描述原子核和电子运动的经典模型,该模型为理解原子性质的许多重要概念打下了基础。以下是一些重要技术的介绍:
(1)原子能级:Bohr原子模型认为原子中的电子只能占据特定的离散能级,电子从一种能级向另一种能级跃迁时将吸收或释放电磁辐射。该技术使得科学家能够研究原子的光谱和化学性质。
(2)量子电子学:Bohr原子模型中的原子核和电子运动仅适用于低速电子。由于能量和动量的限制,该模型无法解释高速电子行为,而现代量子力学则覆盖了更广泛的运动情况。
3. 观点总结:
该章节作者的主要观点包括:
(1)Bohr原子模型为描述原子结构的经典模型,它改变了人们对于原子的认识,为我们理解原子的光谱和化学性质等方面提供了重要的基础。
(2)现代量子力学的发展引领着科学家们对于原子、分子和材料的研究,向我们揭示了原子和分子行为的无穷奥秘。
《Semiconductor Basics: A Qualitative, Non-mathematical Explanation of How Semiconductors Work and How They are Used 》一书中“Energy Bands”章节的主要内容介绍、重要技术和观点总结
在《Semiconductor Basics: A Qualitative, Non-mathematical Explanation of How Semiconductors Work and How They are Used》这本书中,“Energy Bands”章节主要介绍了电子在固体中的能量状态和分布情况。
玻尔原子中的能级(左)对应于玻尔能级轨道(右)
该书介绍了两个重要的能带:价带和导带。价带是材料的最高占据能级带,而导带是材料的最低未占据能级带。在材料中的电子具有特定的能量和位置,它们可以从一个能带跃迁到另一个能带。例如,在半导体中,如果电子从价带跃迁到导带,它们就可以流动并导电。
此外,还有一些概念需要理解,如禁带宽度、掺杂、本征半导体等。禁带宽度是价带和导带之间的能量差,可以影响材料的电学性质。掺杂可以改变半导体的导电性质。本征半导体是未掺杂的半导体,其导电性质由其原有材料的性质决定。
重要技术和观点总结:
1. 固体中的电子处于特定的能量和位置状态。
2. 材料中存在价带和导带。
3. 电子在能带之间跃迁可以导致导电。
4. 禁带宽度影响材料的电学性质。
5. 掺杂可以改变半导体的导电性质。
6. 本征半导体的导电性质由原有材料的性质决定。
这些关于能带和电子分布的概念非常重要,因为它们可以帮助我们更好地理解半导体器件和其他固体材料的性质和功能。
《Semiconductor Basics: A Qualitative, Non-mathematical Explanation of How Semiconductors Work and How They are Used 》一书中“Types of Semiconductors”章节的主要内容介绍、重要技术和观点总结
这本书的“Types of Semiconductors”章节主要介绍了半导体的两种类型:p型和n型半导体,以及它们的性质和应用。
硅和锗的钻石晶体结构。黑色的小球表示单个原子,并利用它的四个价电子(实线)与周围的原子结合
在p型半导体中,杂原子添加到硅晶格中,产生缺电子的空位。这些空位可以吸引周围原子的电子,形成“空穴”,使得该材料中的空穴数比电子数多。p型半导体的电子是被“空穴”传播的,这意味着它们比电子更容易被激发。
n型半导体中,杂原子的电子数比硅的原子数多,因此它增加了材料中的自由电子数。这些自由电子可以导电,因此n型半导体比p型半导体更好地导电。
重要技术和观点总结:
1. p型半导体中的电子是被“空穴”传播的,这使得它们更容易被激发。
2. n型半导体比p型半导体更好导电。
3. 杂原子通过在硅晶格中添加其他元素来创造p型和n型半导体。
4. 这些半导体类型在半导体器件的制造中广泛应用。
总之,这些关于半导体类型的知识对理解半导体器件的运作和应用非常重要。
《Semiconductor Basics: A Qualitative, Non-mathematical Explanation of How Semiconductors Work and How They are Used 》一书中“Infrared Detectors”章节的主要内容介绍、重要技术和观点总结
在《Semiconductor Basics: A Qualitative, Non-mathematical Explanation of How Semiconductors Work and How They are Used》这本书中,“Infrared Detectors”章节主要介绍了红外探测器的原理、种类和应用。
赫歇尔的实验包括将温度计放置在红光之外,并测量“不可见”辐射的热量
该书中介绍了两种常用的红外探测器:热电偶和光电探测器。热电偶基于热电效应工作,当红外光线照射在金属导体上时,会产生电流,利用这种效应可以将红外光转换成电信号。而光电探测器则基于外部照明光的作用,光线进入探测器后,电子会被激发,产生电信号来表示探测到的红外光的量。
此外,该书还介绍了一些常用的红外探测器技术,如基于铟锑化合物制备的热电偶探测器、基于硒化铟的探测器、以及基于半导体硅和锗的红外探测器。
重要技术和观点总结:
1. 红外探测器可以将红外光转换成电信号。
2. 热电偶和光电探测器是常用的红外探测器。
3. 热电偶基于热电效应工作,光电探测器则基于外部光的作用。
4. 不同的红外探测器技术可以应用于不同的场合。
这些关于红外探测器的概念和原理是非常重要的,因为随着技术的发展,红外探测器已经广泛应用于安全、无人机、消防和医疗等领域。对于工程师和研究人员来说,了解红外探测器的工作原理和应用非常有帮助。
《Semiconductor Basics: A Qualitative, Non-mathematical Explanation of How Semiconductors Work and How They are Used 》一书中“The pn-Junction”章节的主要内容介绍、重要技术和观点总结
在《Semiconductor Basics: A Qualitative, Non-mathematical Explanation of How Semiconductors Work and How They are Used》这本书中,“The pn-Junction”章节主要介绍了pn结的原理、应用以及一些相关的技术概念。
室温下,n型半导体在导带有很多电子,而p型半导体在价带有很多空穴,两种半导体都是中性的
该书中介绍了pn结的概念,即由n型半导体和p型半导体组成的结构。pn结中,p型半导体中有多余的空穴,n型半导体中有多余的自由电子,当两种半导体接触在一起时,多余的电子和空穴会发生扩散,最终会在 pn 结的区域形成一个空载区(即电子区和空穴区)。
此外,该书还介绍了一些与pn结相关的技术和应用,如二极管、Zener二极管、场效应晶体管等。
重要技术和观点总结:
1. pn结是由n型半导体和p型半导体组成的结构。
2. 多余的电子和空穴会在 pn 结的区域形成一个空载区。
3. 二极管、场效应晶体管、Zener二极管等都是基于 pn 结的半导体器件。
掌握pn结的原理和应用非常重要,因为它们是现代电子技术中的基础,例如,晶体管和二极管等基本元件。 此外,熟悉 pn 结的性质和特点还有助于工程师和研究人员了解各种其他晶体管和二极管应用中的设计和故障排除问题。
《Semiconductor Basics: A Qualitative, Non-mathematical Explanation of How Semiconductors Work and How They are Used 》一书中“Other Electrical Components”章节的主要内容介绍、重要技术和观点总结
在《Semiconductor Basics: A Qualitative, Non-mathematical Explanation of How Semiconductors Work and How They are Used 》这本书中,“Other Electrical Components”章节主要介绍了电子器件中的其他电子组件,包括电阻器、电容器、电感器以及变压器等。
左图为对水流阻力的流体模拟电路,右图为对电流阻力的电气模拟电路
该书中介绍了电阻器的概念和类型。电阻器是一种能阻碍电流流动的元件,其主要作用是将电流限制在一个特定的范围内。电阻器的类型包括可变电阻器、定值电阻器和压敏电阻器等。
此外,该书还介绍了电容器的概念和类型。电容器是一种存储电荷的元件,它由两个金属板之间的绝缘材料组成。电容器的类型包括可变电容器、固定电容器和电解电容器等。
在电感器部分,该书介绍了电感器的概念和类型。电感器是一种存储电磁能的元件,其主要作用是抵抗电流的变化。电感器的类型包括固定电感器、可变电感器和变压器等。
最后,该书还介绍了变压器的概念和类型。变压器是一种能够将电压从一个电路传输到另一个电路的元件。变压器的类型包括隔离变压器、降压变压器和升压变压器等。
重要技术和观点总结:
1. 电阻器是一种阻碍电流流动的元件。
2. 电容器是一种存储电荷的元件。
3. 电感器是一种存储电磁能的元件。
4. 变压器是一种将电压从一个电路传输到另一个电路的元件。
对于电子工程师和研究人员来说,这些电子组件都非常重要,因为这些电子元件都是电子系统和电路中的关键组成部分,掌握了这些电子组件的原理和应用将有助于实现各种电子系统和设备。
《Semiconductor Basics: A Qualitative, Non-mathematical Explanation of How Semiconductors Work and How They are Used 》一书中“Diode Applications”章节的主要内容介绍、重要技术和观点总结
在《Semiconductor Basics: A Qualitative, Non-mathematical Explanation of How Semiconductors Work and How They are Used》这本书中,“Diode Applications”章节主要介绍了二极管的应用,包括整流器、稳压器、截止器和开关等。
当光子击中太阳能电池的过渡区域时释放的能量会产生电子 -空穴对,电子移动到正电势区,空穴移动到负电势区
该书介绍了二极管整流器的原理,它可以将交流电转换为直流电,因为二极管只能允许电流沿着一个方向流动。此外,该书还介绍了全波整流器和半波整流器的区别。
在稳压器部分,该书介绍了稳压二极管和Zener二极管的工作原理。稳压二极管可以通过调整电压来控制其反向电流,从而稳定输出电压。而Zener二极管则可以在一定电压范围内将其反向电流稳定在一个特定的值。
在截止器方面,该书介绍了热电子截止器和光电子截止器的概念以及应用。通过向二极管施加电压,可以改变电场的强度,从而控制二极管的阻止过程。热电子截止器通过热效应来控制电子运动,而光电子截止器则利用内部的光敏材料来控制电子运动。
最后,该书介绍了开关二极管的应用,其主要作用是将电路开关打开或关闭。开关二极管的工作方式是在导通状态和截止状态之间切换。
重要技术和观点总结:
1. 二极管可以用于整流、稳压、截止和开关等方面的应用。
2. 稳压二极管和Zener二极管可以用于稳定输出电压。
3. 二极管可以通过热效应或光效应来控制电子运动。
4. 开关二极管可以用于将电路开关打开或关闭。
对于电子工程师和研究人员来说,掌握二极管的应用和原理非常重要,因为二极管是电子系统和电路中的重要组成部分。了解二极管的应用可以帮助电子工程师和研究人员设计各种电子系统和设备。
《Semiconductor Basics: A Qualitative, Non-mathematical Explanation of How Semiconductors Work and How They are Used 》一书中“Transistors”章节的主要内容介绍、重要技术和观点总结
在《Semiconductor Basics: A Qualitative, Non-mathematical Explanation of How Semiconductors Work and How They are Used》这本书中,“Transistors”章节主要介绍了晶体管的基本原理、种类和应用。
一些球从装满乒乓球(电子)的盒子左侧掉出空心区域:一些球从底部掉落,但大部分大风扇(电位差)扫向右侧
该书首先介绍了晶体管的基本结构和工作原理,以及晶体管的三个端口:基极、集电极和发射极。晶体管可以放大电流信号,而且还可以作为电路开关使用。此外,该章节还介绍了NPN和PNP晶体管之间的区别。
接下来,该书介绍了晶体管的几种不同类型,比如金属-氧化物-半导体场效应晶体管(MOSFET)、结型场效应晶体管(JFET)和双极晶体管(BJT)。该书介绍了这些不同类型晶体管的结构、工作原理和应用,包括运放、电源控制和继电器等应用。
在应用方面,该书还介绍了集成电路(IC)和微处理器(Microprocessor)的基本原理和应用。IC和Microprocessor都是由许多晶体管组成的,它们可以执行各种任务,比如数字计算、逻辑操作、存储数据等。
重要技术和观点总结:
1. 晶体管可以放大电流信号,并用作电路开关。
2. 晶体管有许多不同的类型,如MOSFET、JFET和BJT等。
3. 晶体管可以用于运放、电源控制、继电器、IC和Microprocessor等应用。
4. 随着科技的发展,晶体管已经成为现代电子学和计算机科学的基础。
总之,对于电子工程师和研究人员来说,掌握晶体管的应用和原理非常重要,因为它们是大多数电子设备和系统的基础。掌握晶体管的原理和种类,可以帮助电子工程师和研究人员设计和构建各种电子系统和设备。
《Semiconductor Basics: A Qualitative, Non-mathematical Explanation of How Semiconductors Work and How They are Used 》一书中“Transistor Biasing Circuits”章节的主要内容介绍、重要技术和观点总结
在《Semiconductor Basics: A Qualitative, Non-mathematical Explanation of How Semiconductors Work and How They are Used》这本书中,“Transistor Biasing Circuits”章节主要介绍了晶体管偏置电路的基本原理和种类。
发射极负反馈如何稳定晶体管的运行:当IC试图增加时(3),IB和IC(7和8)试图减少,两个电流保持不变。
该书首先介绍了晶体管偏置电路的目的,即为了确保晶体管处于特定的工作状态,从而实现正常的放大和开关操作。该章节介绍了两种主要类型的偏置电路:稳定偏置电路和自动偏置电路。稳定偏置电路可以确保晶体管在特定的工作点工作,但不具备温度补偿功能。自动偏置电路可以自动调整电路中的电阻,以便应对晶体管偏置电流的变化,从而实现温度稳定性。
接下来,该书介绍了两种不同种类的稳定偏置电路:固定偏置电路和可变偏置电路。固定偏置电路由固定的电阻值组成,可以提供稳定的偏置电流。可变偏置电路使用可调节的电阻,可以实现可变的偏置电流。此外,该章节还介绍了另一种不同类型的自动偏置电路:恒流源偏置电路。
重要技术和观点总结:
1. 晶体管偏置电路的目的是确保晶体管处于特定的工作状态,以实现正常的放大和开关操作。
2. 稳定偏置电路和自动偏置电路是两种主要类型的偏置电路。
3. 稳定偏置电路可以确保晶体管在特定的工作点工作,但不具备温度补偿功能。
4. 自动偏置电路可以自动调整电路中的电阻,以便应对晶体管偏置电流的变化,从而实现温度稳定性。
5. 固定偏置电路由固定的电阻值组成,可以提供稳定的偏置电流。可变偏置电路使用可调节的电阻,可以实现可变的偏置电流。
总之,晶体管偏置电路是晶体管电路中非常重要的一部分。通过了解不同类型偏置电路的优缺点和应用,可以帮助电子工程师和研究人员设计和构建高性能的晶体管放大器和开关电路。
《Semiconductor Basics: A Qualitative, Non-mathematical Explanation of How Semiconductors Work and How They are Used 》一书中“Integrated Circuit Fabrication”章节的主要内容介绍、重要技术和观点总结
在《Semiconductor Basics: A Qualitative, Non-mathematical Explanation of How Semiconductors Work and How They are Used》这本书中,“Integrated Circuit Fabrication”章节主要介绍了集成电路制造的基本原理和主要步骤。
Czochralski方法用于生长硅晶棒:一个种子从熔液中拉出晶棒,同时随着位置升高而缓慢旋转
该书首先介绍了集成电路制造的主要目标,即在硅片上制造电子器件和电路,以实现高密度、高性能和低功耗的电子产品。
接下来,该书介绍了集成电路制造的主要步骤,包括:硅片制备、晶体管和其他电子器件的制造、金属线的制造、芯片封装和测试。
在硅片制备阶段,需要将硅片经过多道洗涤和化学处理步骤,以便制造出高质量的表面。
在晶体管和其他电子器件的制造阶段,需要使用相应的光刻、蚀刻和沉积技术,将电子器件的材料制备在硅片上,并形成各种电路。
在制造金属线的阶段,需要使用类似层状制造的技术,以便在芯片上形成复杂的电线和连接器。
在芯片的封装阶段,需要将晶体管和其他电子器件封装在芯片外部的塑料或金属封装中,同时还要将金属线与外部接触进行焊接。
最后,需要进行集成电路的测试,以确保电路正常运作,同时还需要进行质量控制和改进。
重要技术和观点总结:
1. 集成电路制造的目标是在硅片上制造高性能、高密度和低功耗的电子产品。
2. 集成电路制造的主要步骤包括:硅片制备、晶体管和其他电子器件的制造、金属线的制造、芯片封装和测试。
3. 在硅片制备阶段,需要对硅片进行多道洗涤和化学处理,以获得高质量的表面。
4. 在晶体管和其他电子器件的制造阶段,需要使用光刻、蚀刻和沉积技术,以便在硅片上制造电子器件和电路。
5. 在金属线制造阶段,需要使用层状制造技术,以便在芯片上形成复杂的电线和连接器。
6. 在芯片的封装阶段,需要将晶体管和其他电子器件封装在芯片外部的塑料或金属封装中,并进行金属线与外部接触的焊接。
总之,集成电路制造是电子工程中的核心技术之一。了解集成电路制造的过程和技术,可以帮助电子工程师和研究人员设计和制造高性能、高密度和低功耗的电子产品。
《Semiconductor Basics: A Qualitative, Non-mathematical Explanation of How Semiconductors Work and How They are Used 》一书中“Logic Circuits”章节的主要内容介绍、重要技术和观点总结
在《Semiconductor Basics: A Qualitative, Non-mathematical Explanation of How Semiconductors Work and How They are Used》这本书中,“Logic Circuits”章节主要介绍了逻辑电路的基本原理和逻辑门电路的设计与应用。
AND函数的二极管实现(左图),真值表和符号。只有当VA和VB都处于打开状态时,才会有电流通过电阻Rc
该书首先介绍了逻辑电路的主要设计目标,即根据输入信号的值,产生一个输出信号。其次,该书讲解了逻辑门电路的设计原理和种类,如与门、或门和非门等。
接下来,该书详细介绍了逻辑门电路的常见应用场景,如加法器、计数器、多路选择器和触发器等。
在介绍过程中,该书涵盖了许多重要的技术和概念,如布尔逻辑、真值表、卡诺图和逻辑门的电路符号和真值表等。
布尔逻辑是逻辑电路设计中非常重要的概念,它描述了逻辑元件如何以及何时响应输入信号。真值表是一种表格,其中列出了逻辑电路的输入和输出变量,并展示它们之间的对应关系。卡诺图是一种用于简化逻辑电路设计的图表工具。
重要技术和观点总结:
1. 逻辑电路的设计目标是根据输入信号的值产生一个输出信号。
2. 逻辑门电路的种类包括与门、或门、非门等。
3. 逻辑门电路的设计应用包括加法器、计数器、多路选择器和触发器等。
4. 布尔逻辑是逻辑电路设计中的重要概念,用来描述逻辑元件如何响应输入信号。
5. 真值表是一种表格,用来描述输入和输出变量之间的对应关系。
6. 卡诺图是一种用于简化逻辑电路设计的图表工具。
总之,逻辑电路是电子工程中的核心技术之一。了解逻辑电路的设计原理、应用和相关概念,可以帮助电子工程师和研究人员设计和制造高性能、高效率的电子产品。
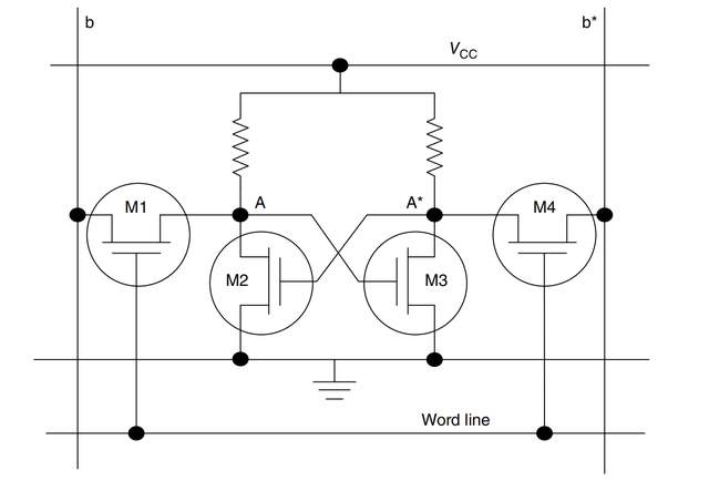
《Semiconductor Basics: A Qualitative, Non-mathematical Explanation of How Semiconductors Work and How They are Used 》一书中“VLSI Components”章节的主要内容介绍、重要技术和观点总结
在George Domingo所著的《Semiconductor Basics: A Qualitative, Non-mathematical Explanation of How Semiconductors Work and How They are Used》一书的“VLSI Components”章节中,主要介绍了VLSI(Very Large Scale Integration,超大规模集成)组件的设计、制造和应用。
典型的存储单元由中央的触发器和两个CMOS晶体管M2和M3以及两侧的两个CMOS开关M1和M4组成
该书首先介绍了VLSI组件的优点,即能够将大量晶体管和电子元件集成在一个芯片上,从而实现高性能、小尺寸、低功耗的电子产品设计。接下来,该书详细介绍了VLSI芯片的制造工艺和设计流程,包括硅片制备、光刻、蒸镀、蚀刻、清洗和测试等工艺步骤。
此外,该书还介绍了VLSI芯片的设计和布线技术。芯片设计是指将电路设计转化为电子元件排列和连接方式的过程,而布线则是确定电路中每个元件之间的连接方式,以最大限度地提高信号传输速度和减少功耗。
在介绍过程中,该书涵盖了许多重要的技术和概念,如CMOS技术、互连延迟和面向对象的设计等。
CMOS技术是一种常用的VLSI芯片设计技术,它可以实现低功耗和高速度。互连延迟是指电路中的信号传输延迟,是VLSI芯片设计中的关键因素之一。面向对象的设计则是一种用于简化VLSI芯片设计的技术。
重要技术和观点总结:
1. VLSI组件具有高性能、小尺寸、低功耗等优点。
2. VLSI芯片的制造工艺包括硅片制备、光刻、蒸镀、蚀刻、清洗和测试等步骤。
3. VLSI芯片的设计和布线技术是关键的制造过程。
4. CMOS技术是一种常用的VLSI芯片设计技术,可以实现低功耗和高速度。
5. 互连延迟是VLSI芯片设计中的关键因素之一。
6. 面向对象的设计是一种用于简化VLSI芯片设计的技术。
总之,VLSI芯片是现代电子工程领域的核心技术之一。了解VLSI的制造工艺、设计和布线技术,以及相关的概念和技术,可以帮助电子工程师设计和制造更高性能、更高效率、更先进的电子产品。
《Semiconductor Basics: A Qualitative, Non-mathematical Explanation of How Semiconductors Work and How They are Used 》一书中“Optoelectronics”章节的主要内容介绍、重要技术和观点总结
George Domingo所著的《Semiconductor Basics: A Qualitative, Non-mathematical Explanation of How Semiconductors Work and How They are Used》一书中的“Optoelectronics”章节主要介绍了光电子学的原理、应用和发展趋势。
一个简单的光敏电导体由具有两个接触点的半导体构成
该章节首先介绍了光电子学的基本原理,指出光电子学是一种将光学和电子学相结合的学科,主要研究光和电子的相互作用。接下来,该书详细介绍了光电二极管、激光器、太阳能电池等光电子器件的工作原理和应用。
此外,该书还介绍了光纤通信、蓝光技术和九軍器等光电子学在实际应用中的一些新技术和设备。其中,光纤通信是一种利用光纤传输信息的技术,具有高速度、大带宽和低噪声等优点。而蓝光技术是一种基于光电子学技术开发的高清晰度光盘技术,可以存储更多的数据和信息。九軍器则是该领域里最新和最独特的发展之一,是使光电芯片更加速度更快和效率更高的技术。
重要技术和观点总结:
1. 光电子学是光学和电子学的结合。
2. 光电二极管、激光器、太阳能电池等光电子器件是光电子学的重要组成部分。
3. 光纤通信、蓝光技术、九軍器等新技术和装备是光电子学在实际应用中的重要代表。
4. 光电子学具有高速度、大带宽和低噪声等优点,对电子工程的发展和实际应用具有重要影响。
总之,光电子学是一个不断发展、不断研究的领域,光电二极管、激光器、太阳能电池等光电子器件,以及光纤通信、蓝光技术、九軍器等新技术和装备在现代电子工程中扮演着重要的角色。对于电子工程师而言,掌握光电子学的原理、技术和应用,将有助于他们设计更高效率、更高质量、更高性能的电子产品。
《Semiconductor Basics: A Qualitative, Non-mathematical Explanation of How Semiconductors Work and How They are Used 》一书中“ Microprocessors and Modern Electronics”章节的主要内容介绍、重要技术和观点总结
现代计算机的基本组件和互连方式
George Domingo所著的《Semiconductor Basics: A Qualitative, Non-mathematical Explanation of How Semiconductors Work and How They are Used》一书中的“Microprocessors and Modern Electronics”章节主要介绍了微处理器和现代电子技术的原理、应用和发展趋势。下面是章节的主要内容介绍、重要技术和观点总结:
1. 章节介绍了现代电子技术的基本原理,重点学习了微处理器的组成和工作原理。微处理器是一种小型、高度集成的电子计算机芯片,可作为各种计算机和电子设备的中央处理器。
2. 在微处理器的工作原理方面,该章节介绍了时钟速度、指令集架构、缓存存储器、输入/输出控制等方面的内容,这些都是现代处理器性能和速度上的关键因素。
3. 该章节还介绍了一些现代电子技术的应用,如智能手机、平板电脑等智能设备,汽车电子系统、健康监测设备等医疗电子系统,智能家居、安防系统等。这些应用通常使用高效的微处理器和其他集成电路,以提供更好的功能和性能。
4. 重要技术和观点总结:
- 微处理器是现代电子技术的关键设备之一,应用范围广泛。
- 时钟速度、指令集架构、缓存存储器等是衡量微处理器性能和速度的关键因素。
- 现代电子设备和系统应用广泛,包括智能手机、平板电脑、汽车电子、医疗电子、智能家居和安防系统等。
- 近年来,人工智能和物联网等技术已经广泛应用于现代电子设备和系统中,推动了电子技术的快速发展。
总之,“Microprocessors and Modern Electronics”章节展示了现代微电子科技的发展历程,重点讲解了微处理器的工作原理、应用等,同时讨论了一些现代电子设备和系统的应用实例。对电子工程师和普通读者而言,本章节有助于他们更好的理解与应用现代电子技术,为该领域的进一步发展作出贡献。
《Semiconductor Basics: A Qualitative, Non-mathematical Explanation of How Semiconductors Work and How They are Used 》一书中“The Future”章节的主要内容介绍、重要技术和观点总结
需要确保关键组件不会相互干扰或触碰的场效应晶体管和一些设计规则
George Domingo所著的《Semiconductor Basics: A Qualitative, Non-mathematical Explanation of How Semiconductors Work and How They are Used》一书中的“The Future”章节主要介绍了半导体技术未来的发展趋势和可能性。下面是章节的主要内容介绍、重要技术和观点总结:
1. 该章节提出了一个问题:半导体技术会有哪些新的颠覆性发展趋势和突破?
2. 介绍了三个当前研究领域:新型材料、量子计算和生物芯片。
3. 新型材料方面,研究人员正在研究一些新的半导体材料,如氮化硅和氮化镓等,这些材料具有更好的电子流动性和热稳定性等特性。
4. 量子计算方面,科学家正致力于开发能够利用量子位相超越图灵机计算能力的计算机系统,这有望推动半导体器件的革命性发展。
5. 生物芯片方面,研究人员正在探索将生物学与半导体技术相结合的可能性,以开发出具有更高灵敏度和可靠性的生物传感器和医疗设备,而这些设备将极大地推动医疗保健行业的发展。
6. 重要技术和观点总结:
- 新型材料、量子计算和生物芯片是半导体技术未来发展的三个关键领域。
- 新型材料具有更好的电子流动性和热稳定性等特性,可为器件性能提升提供支持。
- 量子计算机有望超越传统计算机,为半导体器件领域带来革命性变革。
- 生物芯片的发展将推动医疗保健行业的快速发展。
总之,“The Future”章节探讨了半导体技术未来可能的发展趋势和突破,介绍了新型材料、量子计算和生物芯片等领域的相关研究进展。本章节为读者提供了一个前瞻性的视角,让读者更好地理解半导体技术的未来发展方向。

0条评论